SHZG型周邊傳動刮泥機
特點
口處理量大,可節省占地面積。
口該設備刮泥,吸泥,刮浮渣同時進行,能耗少,比同規格設備節電50%左右。
口邊行走邊吸泥,排出的活性污泥濃度高.排泥效果好。
口刮板式吸口構造簡單,不易堵塞,運行安全可靠,維修方便。
口適應性強,易實現全自動控制
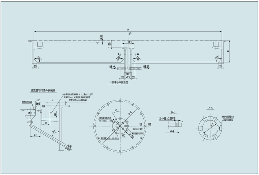
結構原理
SHZG型周邊傳動刮吸泥機,主要有鋼梁、溢流堰、傳動裝置、穩流筒、中心泥罐、排泥槽、刮板、吸泥裝置、浮渣收集和排除設施、輸電輸氣裝置等組成。
待處理的水從中心筒進水管進入,通過穩流筒穩流進入沉淀池然后向四周擴散沉淀清水由池邊溢流堰流出,其中沉淀物由刮泥板刮集到吸泥口,經壓縮空氣擾動混合和增氧,增加了污泥活性,根據連通管原理,利用水位差將池底污泥吸入排泥槽:通過虹吸管進入中心筒排泥管排出。同時池中浮渣由浮渣刮板收集經排渣斗排出池外。

規格及主要技術參數



上一個 :SHZD型中心傳動單(雙)管吸泥機
下一個 :SHZB型周邊傳動刮泥機






